510130 per tubo ISO
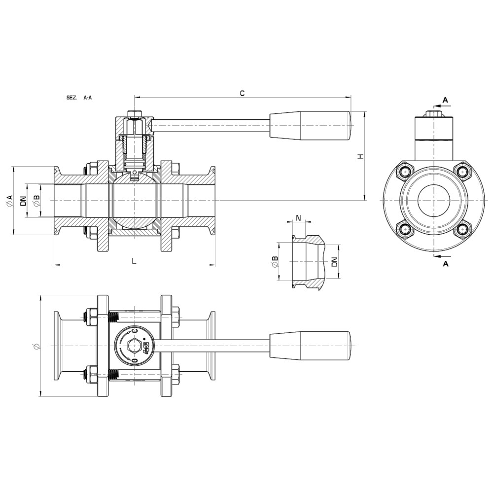
Valvola a sfera a DUE vie Tre Pezzi
Organo di comando: Leva inox
Attacco: CLAMP normativa DIN 32676 TAB.3 REIHE B
Per TUBO in accordo con normativa ISO 1127
Passaggio: Totale e ridotto
Materiale: Aisi 316L (1.4404)
Misure: da DN10 a DN100
Guarnizioni di tenuta: P.T.F.E. Vergine
Temperatura di esercizio: -20°C+160°C
Finitura esterna: Lucida
A richiesta:
Sistema antistatico ATEX:
II 2G Ex h IIC T4 Gb
II 2D Ex h IIIC T135°C Db
M.O.C.A. CE 1935/2004
• Guarnizioni di tenuta in:
PTFE caricato vetro -20°C+170°C
PTFE caricato carbografite -20°C+180°C
PTFE caricato inox -20°C+200°C
UHMW Polietilene ad alta densità -20°C+80°C
| CLAMP REIHNE B OD | DN | L | C | H | N | Ø | Ø A | Ø B | TIRANTI | SERRAGGIO TIRANTI (Nm) | PN | Kg | CODICE AISI 316L |
|---|---|---|---|---|---|---|---|---|---|---|---|---|---|
| 13.5 | 10 | 95 | 110 | 55 | 17 | 55 | 25 | 10,3 | M6x45 | 4 | 64 | 0,59 | 510130 61110 3D |
| 17.2 | 15 | 95 | 110 | 55 | 17 | 55 | 25 | 14 | M6x45 | 4 | 64 | 0,53 | 510130 61710 3D |
| 21.3 | 20 | 106 | 110 | 59 | 24 | 60 | 50,5 | 18,1 | M6x59 | 4 | 40 | 0,87 | 510130 62310 3D |
| 26.9 | 25 | 118 | 160 | 66 | 22 | 75 | 50,5 | 23,7 | M8x65 | 8 | 40 | 1,56 | 510130 62510 3D |
| 33.7 | 25 | 118 | 160 | 66 | 22 | 75 | 50,5 | 29,7 | M8x65 | 8 | 40 | 1,48 | 510130 62710 3D |
| 33.7 | 32 | 126 | 160 | 71 | 24 | 85 | 50,5 | 29,7 | M8x70 | 10 | 25 | 1,82 | 510130 63110 3D |
| 42.4 | 40 | 145 | 190 | 96 | 22 | 100 | 64 | 38,4 | M10x90 | 12 | 25 | 3,60 | 510130 63310 3D |
| 48.3 | 40 | 145 | 190 | 96 | 22 | 100 | 64 | 44,3 | M10x90 | 12 | 25 | 3,44 | 510130 63710 3D |
| 60.3 | 50 | 165 | 190 | 104 | 19 | 120 | 77,5 | 56,3 | M10x100 | 13 | 25 | 5,19 | 510130 64110 3D |
| 76.1 | 65 | 191 | 225 | 119 | 19 | 140 | 91 | 72,1 | M10x120 | 20 | 25 | 7,75 | 510130 64710 3D |
| 88.9 | 80 | 208 | 290 | 130 | 20 | 165 | 106 | 84,3 | M10x140 | 20 | 16 | 11,40 | 510130 65110 3D |
| 114.3 | 100 | 230 | 325 | 144 | 27 | 200 | 130 | 109,7 | M12x170 | 22 | 16 | 19,25 | 510130 65310 3D |
| Pos. | Denominazione | P.zi | Mat. |
|---|---|---|---|
| 1 | Corpo | 1 | AISI 316L |
| 2 | Sfera | 1 | AISI 316L |
| 3 | Manicotti | 2 | AISI 316L |
| 4 | Perno | 1 | AISI 316L |
| 5 | Guarnizioni sfera | 2 | PTFE |
| 6 | Guarnizione perno | 1 | PTFE |
| 7 | Guarnizione perno | 1 | PTFE |
| 8 | OR di tenuta perno | 1 | FKM |
| 9 | Ghiera di registro | 1 | AISI 304L (303) |
| 10 | Tirante | 4 - 6 | AISI 304L |
| 11 | Dado autobloccante | 4 - 6 | AISI 304L |
| 12 | Dado | 1 | AISI 304L |
| 13 | Leva | 1 | AISI 304L |
| 14 | Vite | 1 | AISI 304L |
| 15 | Impugnatura | 1 | DUROPLAST (PF) |