113030 PER TUBO BS
Valvola a sfera a DUE vie
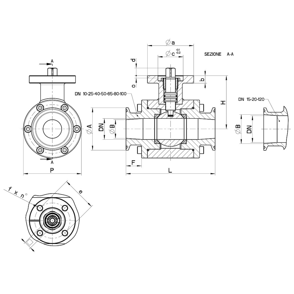
Organo di comando: Flangia per Attuatore ISO 5211 – DIN 3337
Attacco: CLAMP normativa DIN 32676 TAB.4 REIHE C
Per TUBO in accordo con normativa BS/OD (ASTM A270)
Passaggio: Totale e ridotto
Materiale: Aisi 304L (1.4307) – Aisi 316L (1.4404)
Misura: da 1/2″ a 6”
Guarnizioni di tenuta: P.T.F.E. Vergine Modificato
Temperatura di esercizio: -20°C+170°C
Finitura esterna: Lucida
Incluse viti per montaggio attuatore
Sistema antistatico ATEX:
II 2G Ex h IIC T4 Gb
II 2D Ex h IIIC T135°C Db
A richiesta:
M.O.C.A. CE 1935/2004
• Guarnizioni di tenuta in:
PTFE caricato vetro -20°C+170°C
PTFE caricato carbografite -20°C+180°C
PTFE caricato inox -20°C+200°C
UHMW Polietilene ad alta densità -20°C+80°C
| CLAMP REIHE C | DN | L | Ø A | Ø B | F | H | Ø P | PN | Kg | ISO-DIN | Ø a | b | Ø c x o | □ | d | e | f x n°4 | viti | Nm * | CODICE AISI 316L |
|---|---|---|---|---|---|---|---|---|---|---|---|---|---|---|---|---|---|---|---|---|
| 1/2" | 10 | 88 | 25 | 9.4 | 18 | 48.5 | 48 | 100 | 0,87 | F03 | 45 | 9 | 25 x 3 | 9 | 8 | 36 | 6 | M5x16 | 5 | 113030A61210 3D |
| 3/4" | 15 | 92 | 25 | 15.75 | 17.5 | 51.5 | 52 | 100 | 1.00 | F03 | 45 | 9 | 25 x 3 | 9 | 8 | 36 | 6 | M5x16 | 8 | 113030A61810 3D |
| 1" | 20 | 102 | 50.5 | 22.1 | 21 | 60.5 | 62 | 100 | 2.03 | F04 | 55 | 9 | 30 x 3 | 11 | 10 | 42 | 6 | M5x16 | 12 | 113030A62410 3D |
| 1" | 25 | 106 | 50.5 | 22.1 | 18.5 | 63.5 | 69 | 64 | 2.12 | F04 | 55 | 9 | 30 x 3 | 11 | 10 | 42 | 6 | M5x16 | 15 | 113030A62610 3D |
| 1"1/2 | 32 | 112 | 50.5 | 34.8 | 24 | 90.5 | 85 | 64 | 2.96 | F05 | 65 | 12 | 35 x 6 | 14 | 13 | 50 | 7 | M6x20 | 18 | 113030A63210 3D |
| 1"1/2 | 40 | 126 | 50.5 | 34.8 | 22 | 95 | 100 | 64 | 4.56 | F05 | 65 | 12 | 35 x 6 | 14 | 13 | 50 | 7 | M6x20 | 25 | 113030A63410 3D |
| 2" | 50 | 134 | 64 | 47.5 | 22 | 102.5 | 115 | 40 | 6.00 | F05 | 65 | 12 | 35 x 6 | 14 | 13 | 50 | 7 | M6x20 | 30 | 113030A63810 3D |
| 2"1/2 | 65 | 162 | 77.5 | 60.2 | 25 | 116 | 140 | 40 | 10.86 | F07 | 90 | 12 | 55 x 7 | 17 | 15 | 70 | 9 | M8x20 | 45 | 113030A64410 3D |
| 3" | 80 | 182 | 91 | 72.9 | 30 | 127.5 | 155 | 40 | 13.03 | F07 | 90 | 12 | 55 x 7 | 17 | 15 | 70 | 9 | M8x20 | 70 | 113030A64810 3D |
| 4" | 100 | 194 | 119 | 97.38 | 33 | 141.5 | 185 | 25 | 18.97 | F07 | 90 | 12 | 55 x 5 | 17 | 16 | 70 | 9 | M8x20 | 80 | 113030A65410 3D |
| 6" | 120 | 250 | 167 | 146,86 | 37,5 | 154 | 222 | 16 | 36.77 | F.10-F.12 | 150 | 14 | 85 x 4.5 | 22-27 | 19 | 102-125 | 11-13 | M10x25-M12x30 | 130 | 113030A65910 3D |
| Pos. | Denominazione | P.zi | Mat. |
|---|---|---|---|
| 1 | Corpo | 1 | AISI 304L - 316L |
| 2 | Sfera | 1 | AISI 304L - 316L |
| 3 | Manicotti | 2 | AISI 304L - 316L |
| 4 | Perno | 1 | AISI 304L - 316L |
| 5 | Guarnizioni sfera | 2 | PTFE Vergine Modificato |
| 6 | Guarnizioni manicotti | 2 | PTFE |
| 7 | Guarnizione perno | 1 | PTFE |
| 8 | OR di tenuta perno | 2 | FKM |
| 9 | Guarnizione perno | 1 | PTFE |
| 10 | Ghiera di registro | 1 | AISI 304L (303) |
| 11 | Controdado | 1 | AISI 304L |
| 12 | Vite manicotto | da 6 a 20 | AISI 304L |
