747560 KIT DI MONTAGGIO PER ATTUATORE A NORME ISO 5211
Kit per valvole CORPO PIATTO (WAFER) VALPRES PN 16-40
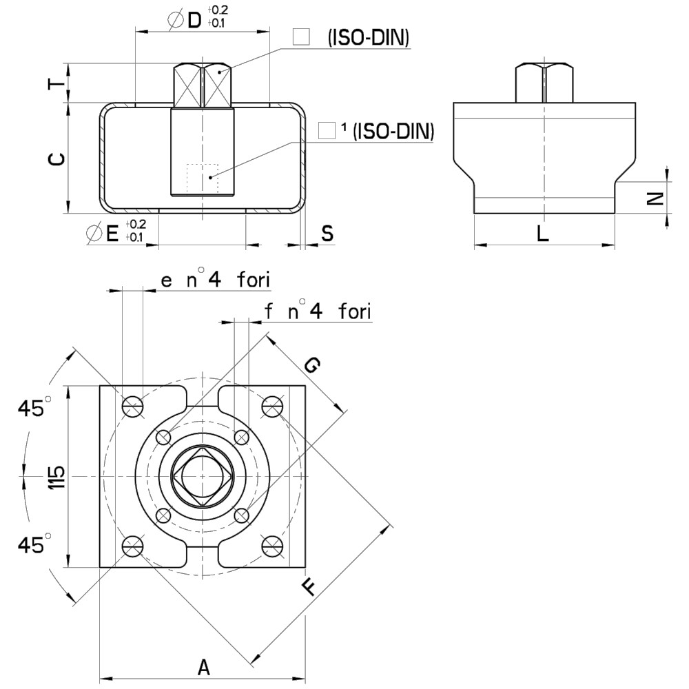
Kit di montaggio per attuatore a norme ISO 5211 comprendente:
Brackets Aisi 304
Prolunga Aisi 303
Viti Aisi 304
Gli accoppiamenti sotto riportati sono a titolo indicativo, da verificare con il modello valvola corpo piatto VALPRES utilizzato.
| ISO 5211 | □ | □ 1 | A | B | C | L | N | Ø D | Ø E | F | G | e | f | S | T | DN Valvola | Kg. | CODICE AISI 304 |
| F.05-F.03 | 11 | 7 | 61 | 55 | 50 | 35 | 15 | 35 | 25 | 50 | 36 | 7 | 6 | 3 | 13 | 15-20 | - | 747560 41800 |
| F.05-F.04 | 11 | 8 | 61 | 55 | 50 | 38 | 20 | 35 | 30 | 50 | 42 | 7 | 6 | 3 | 12,5 | 25-32 | 0,333 | 747560 42200 |
| F.05-F.04 | 14 | 8 | 61 | 55 | 50 | 38 | 20 | 35 | 30 | 50 | 42 | 7 | 6 | 3 | 12,5 | 25-32 | 0,360 | 747560 42500 |
| F.05-F.05 | 14 | 10 | 61 | 55 | 50 | 46 | 20 | 35 | 35 | 50 | 50 | 7 | 7 | 3 | 15 | 40-50 | 0,420 | 747560 43000 |
| F.07-F.05 | 17 | 10 | 80 | 70 | 50 | 45 | 20 | 55 | 35 | 70 | 50 | 9 | 7 | 3 | 17 | 40-50 | 0,480 | 747560 44000 |
| F.07-F.07* | 14 | 14 | 80 | 70 | 50 | - | - | 55 | 55 | 70 | 70 | 9 | 9 | 2,5 | 17 | 65-80 | 0,580 | 747560 44300 |
| F.07-F.07* | 17 | 14 | 80 | 70 | 50 | - | - | 55 | 55 | 70 | 70 | 9 | 9 | 2,5 | 17 | 65-80 | 0,580 | 747560 44500 |
| F.10-F.07 | 22 | 14 | 110 | 100 | 70 | 89 | 20 | 70 | 55 | 102 | 70 | 11 | 9 | 3 | 21 | 65-80 | 1,190 | 747560 45500 |
| F.10-F.10* | 17 | 18 | 110 | 100 | 70 | - | - | 70 | 70 | 102 | 102 | 11 | 11 | 3 | 22 | 100-125 | 1,160 | 747560 45800 |
| F.10-F.10* | 22 | 18 | 110 | 100 | 70 | - | - | 70 | 70 | 102 | 102 | 11 | 11 | 3 | 22 | 100-125 | 1,340 | 747560 46000 |
| F.10-F.12* | 22 | 30 | 130 | 115 | 70 | - | - | 70 | 85 | 102 | 125 | 11 | 13 | 3 | 26 | 150 | 2,200 | 747560 46100 |
| F.12-F.10* | 27 | 30 | 130 | 115 | 70 | - | - | 85 | 70 | 125 | 102 | 13 | 11 | 3 | 26 | 150 | 2,200 | 747560 46200 |
* BRACKETS RETTANGOLARE ART. 747010
| Pos. | Denominazione | P.zi | Mat. |
| 1 | Brakets | 1 | AISI 304L |
| 2 | Prolunga | 1 | AISI 303 |
| 3 | Viti | 4 | AISI 304L |
| 4 | Rondella dentellata | 4 | AISI 304L |
| 5 | Viti | 4 | AISI 304L |
| 6 | Rondella dentellata | 4 | AISI 304L |
Articoli correlati