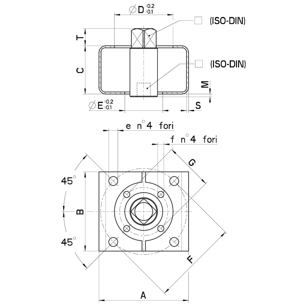
747500 KIT DI MONTAGGIO PER ATTUATORE A NORME ISO 5211
Kit di montaggio per attuatore a norme ISO 5211 comprendente:
Bracket Aisi 304
Prolunga Aisi 303
Viti Aisi 304
| ISO-DIN | QUADRO SUP. | QUADRO INF. | A | B | C | Ø D | Ø E | F | G | e | f | S | T | M | Kg | CODICE AISI 304L |
|---|---|---|---|---|---|---|---|---|---|---|---|---|---|---|---|---|
| F.03-F.03 | 9 | 6 | 50 | 45 | 40 | 25 | 25 | 36 | 36 | 6 | 6 | 2,5 | 8 | 2 | 0,24 | 747500 40500 3D |
| F.03-F.03 | 9 | 9 | 50 | 45 | 40 | 25 | 25 | 36 | 36 | 6 | 6 | 2.5 | 8 | 2 | 0,22 | 747500 40700 3D |
| F.04-F.03 | 11 | 6 | 50 | 45 | 40 | 30 | 25 | 42 | 36 | 6 | 6 | 2,5 | 10 | 2 | 0,24 | 747500 41000 |
| F.04-F.03 | 11 | 9 | 50 | 45 | 40 | 30 | 25 | 42 | 36 | 6 | 6 | 2.5 | 11 | 2 | 0,21 | 747500 41200 |
| F.04-F.04 | 11 | 9 | 50 | 45 | 40 | 30 | 30 | 42 | 42 | 6 | 6 | 2,5 | 10 | 2 | 0,23 | 747500 41500 3D |
| F.04-F.04 | 11 | 11 | 50 | 45 | 40 | 30 | 30 | 42 | 42 | 6 | 6 | 2.5 | 11 | 2 | 0,26 | 747500 41700 3D |
| F.05-F.03 * | 14 | 6 | 60 | 55 | 50 | 35 | 25 | 50 | 36 | 7 | 6 | 2,5 | 13 | 2 | 0,35 | 747500 42000 3D |
| F.05-F.03 * | 14 | 9 | 60 | 55 | 50 | 35 | 25 | 50 | 36 | 7 | 6 | 2.5 | 13 | 2 | 0,32 | 747500 42100 3D |
| F.05-F.04 | 14 | 9 | 60 | 55 | 50 | 35 | 30 | 50 | 42 | 7 | 6 | 2,5 | 13 | 2 | 0,35 | 747500 42500 |
| F.05-F.04 | 14 | 11 | 60 | 55 | 50 | 35 | 30 | 50 | 42 | 7 | 6 | 2.5 | 13 | 2 | 0,38 | 747500 42600 3D |
| F.05-F.05 | 14 | 9 | 60 | 55 | 50 | 35 | 35 | 50 | 50 | 7 | 7 | 2.5 | 13 | 2.5 | 0,38 | 747500 42800 3D |
| F.05-F.05 | 14 | 14 | 60 | 55 | 50 | 35 | 35 | 50 | 50 | 7 | 7 | 2,5 | 13 | 4 | 0,46 | 747500 43000 3D |
| F.05-F.05 | 17 | 14 | 60 | 55 | 50 | 35 | 35 | 50 | 50 | 7 | 7 | 2,5 | 13 | 4 | 0,52 | 747500 43200 |
| F.07-F.04 | 17 | 9 | 80 | 70 | 50 | 55 | 30 | 70 | 42 | 9 | 6 | 2,5 | 15 | 3 | 0,59 | 747500 43500 |
| F.07-F.04 | 17 | 11 | 80 | 70 | 50 | 55 | 30 | 70 | 42 | 9 | 6 | 2.5 | 16 | 2 | 0,49 | 747500 43700 |
| F.07-F.05 | 17 | 9 | 80 | 70 | 50 | 55 | 35 | 70 | 50 | 9 | 7 | 2.5 | 16 | 2.5 | 0,49 | 747500 43800 |
| F.07-F.05 | 17 | 11 | 80 | 70 | 50 | 55 | 35 | 70 | 50 | 9 | 7 | 2.5 | 16 | 2.5 | 0,49 | 747500 43900 |
| F.07-F.05 | 17 | 14 | 80 | 70 | 50 | 55 | 35 | 70 | 50 | 9 | 7 | 2,5 | 15 | 4 | 0,58 | 747500 44000 3D |
| F.07-F.07 | 17 | 17 | 80 | 70 | 50 | 55 | 55 | 70 | 70 | 9 | 9 | 2,5 | 15 | 4 | 0,66 | 747500 44500 3D |
| F.10-F.05 | 22 | 14 | 110 | 100 | 70 | 70 | 35 | 102 | 50 | 11 | 7 | 3 | 21 | 4 | 1,32 | 747500 45000 |
| F.10-F.07 | 22 | 17 | 110 | 100 | 70 | 70 | 55 | 102 | 70 | 11 | 9 | 3 | 21 | 4 | 1,42 | 747500 45500 |
| F.10-F.10 | 22 | 17 | 110 | 100 | 70 | 70 | 70 | 102 | 102 | 11 | 11 | 3 | 21 | 4 | 1,4 | 747500 46000 |
| F.12-F.07 | 27 | 17 | 130 | 115 | 70 | 85 | 55 | 125 | 70 | 13 | 9 | 3 | 25 | 4 | 1,6 | 747500 46500 |
| F.12-F.10 | 27 | 17 | 130 | 115 | 70 | 85 | 70 | 125 | 102 | 13 | 11 | 3 | 25 | 4 | 1,62 | 747500 47000 |
| F.12-F.10 | 27 | 22 | 130 | 115 | 70 | 85 | 70 | 125 | 102 | 13 | 11 | 3 | 25 | 4 | 1,62 | 747500 47100 |
| F.14-F.10 | 36 | 17 | 150 | 130 | 70 | 100 | 70 | 140 | 102 | 17 | 11 | 4 | 30 | 4 | 2,64 | 747500 47500 |
| F.14-F.12 | 36 | 22 | 150 | 130 | 70 | 100 | 85 | 140 | 125 | 17 | 13 | 4 | 30 | 4 | 3,27 | 747500 48000 3D |
* Brackets 747015
| Pos. | Denominazione | P.zi | Mat. |
|---|---|---|---|
| 1 | Brakets | 1 | AISI 304L |
| 2 | Prolunga | 1 | AISI 303 |
| 3 | Viti | 4 | AISI 304L |
| 4 | Rondella dentellata | 8 | AISI 304L |
| 5 | Dado | 4 | AISI 304L |
| 6 | Viti | 4 | AISI 304L |
| 7 | Rondella dentellata | 4 | AISI 304L |