513030 para tubo ISO
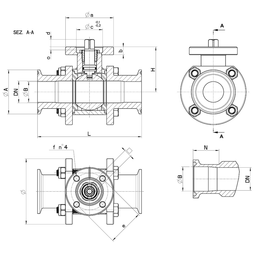
Válvula de bola de DOS vías Tres Piezas
Organo de mando: Brida para Actuador ISO 5211 – DIN 3337
Conexión: CLAMP regulación DIN 32676 TAB.3 REIHE B
Para TUBO según regulación ISO 1127
Paso: Total y reducido
Material: Aisi 316L (1.4404)
Tamaños: de DN10 a DN100
Sellos de junta: P.T.F.E. Virgen
Temperatura de funcionamiento: -20° C+160° C
Acabado externo: Brillante
A pedido:
Sistema antiestático ATEX:
II 2G Ex h IIC T4 Gb
II 2D Ex h IIIC T135°C Db
M.O.C.A. CE 1935/2004
• Sellos de junta en:
PTFE cargado vidrio -20°C+170°C
PTFE cargado carbografito -20°C+180°C
PTFE cargado inox -20°C+200°C
UHMW Polietileno alta densidad -20°C+80°C
| CLAMP SERIE C DN/OD | DN | L | H | N | Ø | Ø A | Ø B | Tirantes | SERRAGGIO TIRANTI (Nm) | PN | KG | ISO-DIN | Ø a | b | Ø c x o | □ | d | e | f | n° 4 tornillos | Nm | CÓDIGO AISI 316 |
|---|---|---|---|---|---|---|---|---|---|---|---|---|---|---|---|---|---|---|---|---|---|---|
| 13.5 | 10 | 95 | 41.5 | 17 | 55 | 25 | 10.3 | 6 x 45 | 4 | 64 | 0.59 | F.03 | 45 | 7 | 25x3 | 9 | 8 | 36 | 6 | M5x14 | 7 | 513030 61110 3D |
| 13.5 | 10 | 95 | 41.5 | 17 | 55 | 25 | 10.3 | 6 x 45 | 4 | 64 | 0.63 | F.04 | 55 | 7 | 30x3 | 11 | 10 | 42 | 6 | M5x14 | 7 | 513030 6111F 3D |
| 17.2 | 15 | 95 | 41.5 | 17 | 55 | 25 | 14 | 6 x 45 | 4 | 64 | 0.52 | F.03 | 45 | 7 | 25x3 | 9 | 8 | 36 | 6 | M5x14 | 7 | 513030 61710 3D |
| 17.2 | 15 | 95 | 41.5 | 17 | 55 | 25 | 14 | 6 x 45 | 4 | 64 | 0.57 | F.04 | 55 | 7 | 30x3 | 11 | 10 | 42 | 6 | M5x14 | 7 | 513030 6171F 3D |
| 21.3 | 20 | 106 | 45 | 25 | 60 | 50,5 | 18.1 | 6 x 50 | 4 | 40 | 0.85 | F.03 | 45 | 7 | 25x3 | 9 | 8 | 36 | 6 | M5x14 | 10 | 513030 62310 3D |
| 21.3 | 20 | 106 | 45 | 25 | 60 | 50,5 | 18.1 | 6 x 50 | 4 | 40 | 0.89 | F.04 | 55 | 7 | 30x3 | 11 | 10 | 42 | 6 | M5x14 | 10 | 513030 6231F 3D |
| 26.9 | 25 | 118 | 51.5 | 22 | 75 | 50,5 | 23.7 | 6 x 65 | 8 | 40 | 1.55 | F.04 | 55 | 9 | 30x3 | 11 | 10 | 42 | 6 | M5x16 | 18 | 513030 62510 3D |
| 26.9 | 25 | 118 | 51.5 | 22 | 75 | 50,5 | 23.7 | 6 x 65 | 8 | 40 | 1.62 | F.05 | 65 | 9 | 35x3 | 14 | 13 | 50 | 7 | M6x16 | 18 | 513030 6251F 3D |
| 33.7 | 25 | 118 | 51.5 | 22 | 75 | 50,5 | 29.7 | 6 x 65 | 8 | 40 | 1.46 | F.04 | 55 | 9 | 30x3 | 11 | 10 | 42 | 6 | M5x16 | 18 | 513030 62710 3D |
| 33.7 | 25 | 118 | 51.5 | 22 | 75 | 50,5 | 29.7 | 6 x 65 | 8 | 40 | 1.54 | F.05 | 65 | 9 | 35x3 | 14 | 13 | 50 | 7 | M6x16 | 18 | 5130306271F 3D |
| 33.7 | 32 | 126 | 56.5 | 24 | 85 | 50,5 | 29.7 | 8 x 70 | 10 | 25 | 1.81 | F.04 | 55 | 9 | 30x3 | 11 | 10 | 42 | 6 | M5x16 | 20 | 513030 63110 3D |
| 33.7 | 32 | 126 | 56.5 | 24 | 85 | 50,5 | 29.7 | 8 x 70 | 10 | 25 | 1.88 | F.05 | 65 | 9 | 35x3 | 14 | 13 | 50 | 7 | M6x16 | 20 | 513030 6311F 3D |
| 42.4 | 40 | 145 | 76 | 22 | 100 | 64 | 38.4 | 10 x 90 | 12 | 25 | 3.48 | F.05 | 65 | 12 | 35x6 | 14 | 13 | 50 | 7 | M6x20 | 25 | 513030 63310 3D |
| 42.4 | 40 | 145 | 76 | 22 | 100 | 64 | 38.4 | 10 x 90 | 12 | 25 | 3.70 | F.07 | 90 | 12 | 55x6 | 17 | 14 | 70 | 9 | M8x22 | 25 | 513030 6331F 3D |
| 48.3 | 40 | 145 | 76 | 22 | 100 | 64 | 44.3 | 10 x 90 | 12 | 25 | 3.32 | F.05 | 65 | 12 | 35x6 | 14 | 13 | 50 | 7 | M6x20 | 25 | 513030 63710 3D |
| 48.3 | 40 | 145 | 76 | 22 | 100 | 64 | 44.3 | 10 x 90 | 12 | 25 | 3.53 | F.07 | 90 | 12 | 55x6 | 17 | 14 | 70 | 9 | M8x22 | 25 | 513030 6371F 3D |
| 60.3 | 50 | 165 | 84 | 19 | 120 | 77,5 | 56.3 | 10 x 100 | 13 | 25 | 5.07 | F.05 | 65 | 12 | 35x6 | 14 | 13 | 50 | 7 | M6x20 | 35 | 513030 64110 3D |
| 60.3 | 50 | 165 | 84 | 19 | 120 | 77,5 | 56.3 | 10 x 100 | 13 | 25 | 5.29 | F.07 | 90 | 12 | 55x6 | 17 | 14 | 70 | 9 | M8x22 | 35 | 513030 6411F 3D |
| 76.1 | 65 | 191 | 94.5 | 19 | 140 | 91 | 72.1 | 10 x 120 | 20 | 25 | 7.66 | F.07 | 90 | 12 | 55x7 | 17 | 15 | 70 | 9 | M8x22 | 45 | 513030 64710 3D |
| 76.1 | 65 | 191 | 94.5 | 19 | 140 | 91 | 72.1 | 10 x 120 | 20 | 25 | 8.09 | F.10 | 120 | 12 | 70x7 | 22 | 19 | 102 | 11 | M10x25 | 45 | 513030 6471F 3D |
| 88.9 | 80 | 208 | 106 | 20 | 165 | 106 | 84.3 | 10 x 140 | 20 | 16 | 11.23 | F.07 | 90 | 12 | 55x7 | 17 | 15 | 70 | 9 | M8x22 | 60 | 513030 65110 3D |
| 88.9 | 80 | 208 | 106 | 20 | 165 | 106 | 84.3 | 10 x 140 | 20 | 16 | 11.66 | F.10 | 120 | 12 | 70x7 | 22 | 19 | 102 | 11 | M10x25 | 60 | 513030 6511F 3D |
| 114.3 | 100 | 230 | 120 | 23 | 200 | 130 | 109.7 | 12 x 170 | 22 | 16 | 18.88 | F.07 | 90 | 12 | 55x5 | 17 | 15 | 70 | 9 | M8x22 | 90 | 513030 65310 3D |
| 114.3 | 100 | 230 | 120 | 23 | 200 | 130 | 109.7 | 12 x 170 | 22 | 16 | 19.32 | F.10 | 120 | 12 | 70x5 | 22 | 18 | 102 | 11 | M10x25 | 90 | 513030 6531F 3D |
| POSICIÓN | DENOMINACIÓN | PIEZAS | MATERIAL |
|---|---|---|---|
| 1 | Cuerpo | 1 | AISI 316L |
| 2 | Bola | 1 | AISI 316L |
| 3 | Mangas | 2 | AISI 316L |
| 4 | Alfiler | 1 | AISI 316L |
| 5 | Sello bola | 2 | PTFE |
| 6 | Sello alfiler | 1 | PTFE |
| 7 | Sello alfiler | 1 | PTFE |
| 8 | OR de junta alfier | 1 | FKM |
| 9 | Anillo de registro | 1 | AISI 304L (303) |
| 10 | Contratuerca | 1 | AISI 303 |
| 11 | Tirante | 4 - 6 | AISI 303 |
| 12 | Tuerca autobloqueante | 4 - 6 | AISI 303 |